-
Характеристики
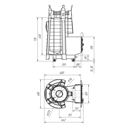
Производитель Добросталь Топливо Дрова Материал топки Сталь Объем парилки 28-30 м3 Тип дверцы Без стекла Протопка печи Из смежного помещения Каменка Открытая, Комбинированная Комплектация В сетке Теплообменник Нет Бак для воды Нет Парогенератор Есть Длина дров, см 37 Страна Россия Гарантия мес 12 Диаметр дымохода 115 Габариты (ВхШхГ) 940х535х690 мм Вес, кг 86 Вес камней, кг 75 Тип печи Печь для бани Длина дров, см 370 мм Исполнение С выносом Тип печи для бани Дровяные -
Описание
Особенности печи для бани:
Печь для бани "Добросталь Фредерика профи" - это надежное и функциональное оборудование, созданное для истинных ценителей русской бани как в домашних условиях, так и на даче. Произведенная в России компанией "Добросталь", эта печь представляет собой высококачественное изделие, способное обеспечить вам максимальный комфорт и удовольствие от парильного процесса.
Печь работает на дровах, что делает ее экологически безопасным и эффективным вариантом для обогрева бани. Материал топки из прочной стали обеспечивает долговечность и надежность работы печи на протяжении многих лет.
С обширным объемом парилки от 28 до 30 м³, данная модель идеально подходит для просторных помещений, обеспечивая равномерное распределение тепла и пара. Без стекла в дверце, печь сохраняет классический вид и обеспечивает надежность в эксплуатации.
Протопка печи из смежного помещения делает использование более удобным и безопасным. Открытая, комбинированная каменка способствует созданию мягкого и приятного пара, что благоприятно влияет на здоровье и общее самочувствие.
Комплектация включает в себя сетку для удобной загрузки дров и поддержания порядка вокруг печи. Парогенератор обеспечивает возможность насыщения воздуха паром, что способствует улучшению качества банного процесса.
С габаритами 940х535х690 мм и весом 86 кг, данная печь легко устанавливается в любом помещении. Исполнение с выносом обеспечивает удобство в управлении и обслуживании.
Печь "Добросталь Фредерика профи" поставляется с гарантией на 12 месяцев, что подтверждает ее надежность и высокое качество. Она станет незаменимым помощником для вашего отдыха и заботы о здоровье в бане.
Печь для бани Добросталь Фредерика профи купить в Могилеве с доставкой и рассрочкой платежа. -
Отзывы
-
Условия доставки и оплаты
Условия доставки Печь для бани Добросталь Фредерика профи в Могилев -
С этим товаром покупают
Гарантия и возврат
Амазонка бай реализует более 10 000 товаров надлежащего качества от проверенных поставщиков, зарекомендовавших себя как ТОП-производители. Гарантия производителя распространяется на гарантийный талон либо иной другой документ его заменяющий.
В случае возникновения гарантийного случая необходимо обратиться в сервисный центр или в наш отдел по рекламациям.
Какие гарантийные сроки?
В основном на продукцию распространяется гарантия от 12 месяцев до 25 лет в зависимости от срока, предусмотренного производителем. Данная информация указана в гарантийном талоне либо ином заменяющем его документе.
За более подробной информацией и разъяснениями можете обращаться к нам по телефону +375 (29) 8000 226. Всегда рады помочь!
Какая информация должна быть в гарантийном талоне?
Гарантия содержит информацию:
- дата реализации;
- модель товара;
- серию и номер.
В талоне проставляется штамп торгующей организации и печать ответственного лица.
Легкий возврат товара
Возврат некачественного товара.
Для возврата приобретенного недоброкачественного товара будет необходимо:
- связаться по телефону +375 (29) 8000 226 с отделом по рекламациям, объяснить причину поломки;
- предоставить документы, свидетельствующие о приобретении: кассовый чек, товарный чек, ТН, договор поставки и иные документы, доказывающие факт приобретения данного товара;
- оформление возврата некачественного товара - заявление;
- согласование возврата денежных средств либо замену товара.
Возврат товара надлежащего качества.
В случае возврата доброкачественного товара, потребитель осуществляет возврат в течение 14 календарных дней с момента приобретения. Товар должен быть в заводской упаковке, без повреждений, содержать все сопроводительные документы (гарантийный талон, паспорт изделия и т.д.) и иметь такой же вид, как при покупке.
Обращаем Ваше внимание, что возврат возможен не на все категории товаров. Перечень непродовольственных товаров надлежащего качества, не подлежащих обмену и возврату, утвержден Постановлением Совета Министров Республики Беларусь № 778 от 14.06.2002 года. (Изделия под заказ, отрезные товары)
Остались вопросы? Позвоните нам для уточнения +375 (29) 8000 226.
Простая замена товара
Я могу вернуть доброкачественный товар?
Да. Если Вы приняли решение вернуть качественный товар, такая возможность действует в течение 14 календарных дней со дня приоретения. Внимание! Товар должен иметь продажный вид как при покупке, без следов эксплуатации.
Однако вернуть можно не все покупки. Перечень непродовольственных товаров надлежащего качества, не подлежащих обмену и возврату, утвержден Постановлением Совета Министров Республики Беларусь № 778 от 14.06.2002 года. Обмен и возврат продукции осуществляется на территории продавца.
Как вернуть недоброкачественный товар?
Для возврата товара ненадлежащего качества требуется:
- обратиться к торговой организации;
- предъявить документы, подтверждающие покупку;
- обязательно предоставить заявление на возврат;
- обговорить возврат средств с менеджером.
Необходимо некачественный товар вернуть по месту расположения продавца.
Кредит и рассрочка товара
Порядок действий для рассрочки:
- 1. Клиент выбирает товар в интернет-магазине.
- 2. Определяется и согласовывает с менеджером сроки и условия рассрочки.
- 3. В зависимости от выбранных условий направляется заявка в банк.
- 4. Банк оперативно рассматривает заявку.
- 5. После подтверждения рассрочки доставляем товар покупателю.

* Скидки и акции при рассрочке не действуют

* Скидки и акции при рассрочке не действуют
название | в месяц | итого | |
---|---|---|---|
Карта Черепаха (8 мес.) | 230 | 1 838 | |
Альфа-рассрочка (5 мес.) | 368 | 1 838 | |
Халва (4 мес.) | 460 | 1 838 | |
Легкие покупки (4 мес.) | 460 | 1 838 | |
Карта покупок (2 мес.) | 919 | 1 838 |